诚信为本、品质为先
石家庄科力亚特电子科技有限公司
Shijiazhuang Creator Electronics Technology Co.,Ltd
首页
产品展示
资料列表
资料与文献
品质保障
联系我们
繁體中文
English
简体中文
首页
>>
馈通滤波器(穿心电容器)
>>
直流馈通滤波器
>>
LP02系列 馈通滤波器
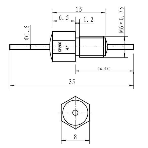
LP02系列 馈通滤波器
Pi型滤波电路结构,适用于源、负载两端阻抗都高的,对干扰抑制性能要求高(插入损耗)的场合制性能要求高(插入损耗)的场合
市场价:
0.00
价格:
0.00
容量范围:
1000pf×2---10000pf×2
滤噪频率:
10KHz - 10GHz
端接型式:
焊针
贮存环境:
25/85/21
40/100/21
额定电压:
0 - DC200V
额定电流:
15A
Pi型滤波电路结构,适用于源、负载两端阻抗都高的,对干扰抑制性能要求高(插入损耗)的场合制性能要求高(插入损耗)的场合
下载技术说明文件
S1-
LP02-200-001.pdf
上一个:
LP01 系列 馈通......
下一个:
LC02系列 馈通滤......
联系信息:
18610072083
18610072086